SCKR1-6800 – 264A-400A

A WCE-6800 é um Soft-Starter altamente inteligente, confiável e fácil de usar. As funções recém projetadas doSSVT-68 são usadas para configuração rápida ou controle mais personalizado. É uma solução perfeita. Sua performance inclui:

> Tela LCD grande que pode exibir informações de feedback em chinês e inglês, outros idiomas podem ser personalizados.
> IHM pode ser instalada remotamente com acessórios opcionais.
> Programação intuitiva.
> Funções avançadas de controle de partida e parada.
> Uma série de funções de proteção do motor.
> Monitoramento extensivo de desempenho e registro de eventos.

SKU: produto-1-2-1-1 Categoria:

Descrição

Mais Controle

> A série de Soft-Starter SSVT-68 adota uma nova geração de tecnologia de Soft-Starter e o controle adaptativo realiza o controle da curva de aceleração e desaceleração do motor a um nível sem precedentes.

> O Controle inteligente da Soft-Starter lê os dados do motor no processo de partida e parada, em seguida, ajusta para obter o melhor efeito. Basta selecionar a curva mais adequada par o seu tipo de carga e o Soft-Starter garantirá automaticamente que carga seja acelerada da maneira mais estável possível.

Fácil de Usar

> Seja no processo de instalação, depuração e uso, ou na solução.

> A configuração rápida pode fazer a máquina funcionar rapidamente, a tela de informações pode exibir vários dados operacionais e a mensagem de falhas pode ser exibida para explicar exatamente onde está o defeito.

> O acessório para instalação remota da IHM possui cabo de controle flexível e pode ser direcionado por cima, por baixo ou pela esquerda.

Vários métodos de controle de partidas

> Uma variedade de métodos de partida podem atender aos seus diversos requisitos de carga, e os usuários podem escolher métodos de partida de acordo com suas próprias condições de carga.

> SSVT-68 simplifica a instalação e operação do sistema de partida do motor, reduzindo assim os custos de instalação e encurtando o tempo de instalação.

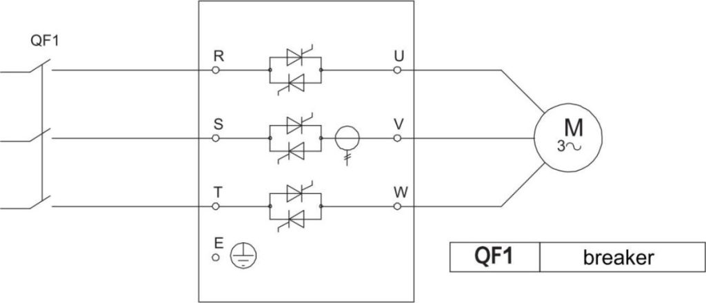
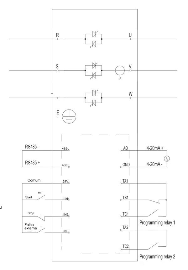
O Diagrama de Conexão externa

> Ligação Convencional

Range da corrente nominal do motor de 11A ~ 800A

 > Tensão de Alimentação

SSVT-68XX…………………220VAC (  10%) 45……….65Hz

SSVT-68XX…………………380VAC (  10%) 45……….65Hz

SSVT-68XX…………………440VAC (  10%) 45……….65Hz

> Entradas Digitais

Entrada Ativa 24VDC, 8mA

Start Normal Aberto

Stop Normal Fechado

Falha Externa Normal Aberto

> Saídas

Saída a Rele……10A @ 250VAC (carga resistiva)

Rele programável (TA, TB, TC) normalmente aberto

ou normalmente fechado

Rele 2 Programável  (Ta2, Tc2) normalmente aberto

Saída analógica programável

Saída analógica (AO, GND)…..0-20mA ou 4-20mA

Saída Comunicação MODBUS (485-, 485+)

Conexão do Motor    

A soft starter pode ser usada para conexões convencionais (3 fios) ou conexões dentro do delta (6 fios).

Se a conexão Delta for utilizada, ajustar o parâmetro F00 na corrente nominal do motor.

Comparação Soft-Starter, partida estrela e partida compensadora 

Seleção de Funcionamento com Bombas

Avaliações

Não há avaliações ainda.

Seja o primeiro a avaliar “SCKR1-6800 – 264A-400A”

O seu endereço de e-mail não será publicado. Campos obrigatórios são marcados com *